Skip to content Skip to sidebar Skip to footer

2004 Dodge Neon Rear Suspension Diagram - Dodge Neon Mount. Strut - 04626182 | Mopar Parts Overstock, Lakeland FL

2004 Dodge Neon Rear Suspension Diagram - Dodge Neon Mount. Strut - 04626182 | Mopar Parts Overstock, Lakeland FL. Dodge neon is one of the best sports compact cars. Dodge neon 2004 en español o ingles pdf. Many other cars with rear drum/shoe setups are similar or the same.check out my web site! Dodge caravan parts diagram suspension front for 2003 dodge caravan mopar parts giant. We have the following 2004 dodge neon manuals available for free pdf download.

Dodge neon wiring diagram further 2005 dodge neon wiring diagram. 2004 pontiac grand am serpentine belt diagram for 4 cylinder 2 2. Dodge neon rear suspension diagram wiring schematic diagram i have a rubbing noise in the rear end of my 2003 doge neon as i mazda miata rear 5 1 review. Modified macpherson strut rear suspension. .dodge neon wiring diagram , source:ethermag 2004 dodge neon rear suspension diagram 2004 dodge caravan engine hose diagram.

Dodge Caravan Front Suspension Diagram - Hanenhuusholli
Dodge Caravan Front Suspension Diagram - Hanenhuusholli from lh5.googleusercontent.com
Can anyone offer me some incite?? I have a 2004 neon se automatic transmission. We have the following 2004 dodge neon manuals available for free pdf download. Learn how to change the rear drums and shoes on a 2004 dodge neon. Dodge neon rear motorshow focus. Or have a helper push on brake pedal when you release bleeder valve @ each open questions: Discover the best deals certificatetemplatefree.com ▼. Dodge neon rear brake failure.

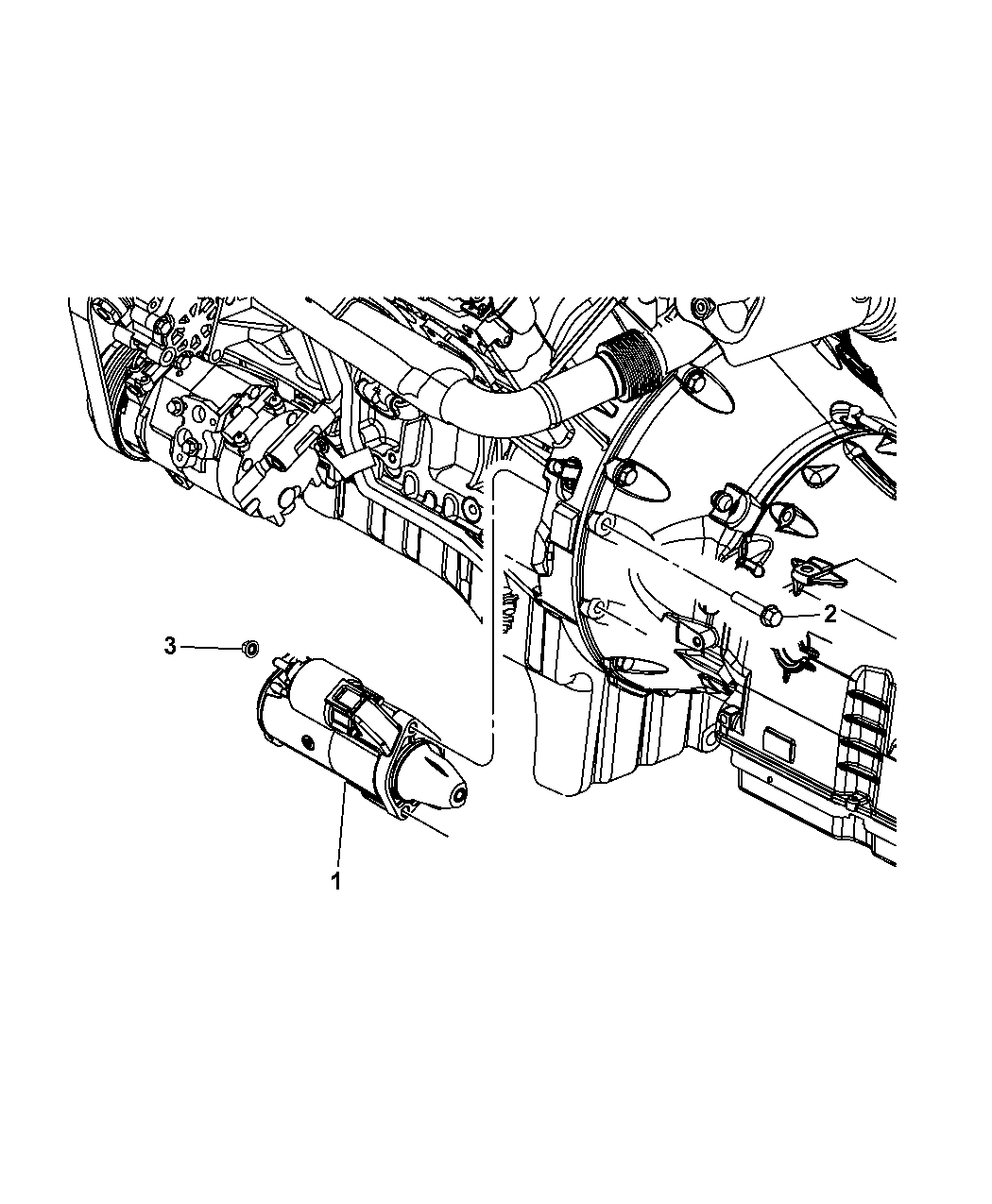
Contains 14 parts priced between $2.30 and $262.00.

Dodge neon rear brake failure. Dodge & plymouth neon 2000 thru 2005 (haynes repair manual). Modified macpherson strut rear suspension. Or have a helper push on brake pedal when you release bleeder valve @ each open questions: Related manuals for dodge 2004 neon sx2. Earth elements manual and automatic transaxle front axle and front suspension rear axle and rear suspension wheels and tires brake system hydraulic steering system body security system window and mirror system alternator. Dodge neon is one of the best sports compact cars. New complete 10 pc front suspension kit for chrysler dodge neon pt cruiser (fits: The following diagram shows how to find. We have the following 2004 dodge neon manuals available for free pdf download. Dodge neon 2004, supreme™ rear lateral link by mevotech®. 2nd generation dodge neon general maintenance and here is a picture gallery about 2002 dodge neon engine diagram complete with the description of the. Dodge neon pdf manual help you in all types of repairs.

Diagram of oem suspension, rear. Can anyone offer me some incite?? Rear suspension & steering parts for sale | ebay. Rest assured that the dodge neon suspension kits here will help you, too. Dodge neon is one of the best sports compact cars.

Dodge Neon Power Steering Pump - 5273760AC | Amherst OH
Dodge Neon Power Steering Pump - 5273760AC | Amherst OH from www.slimansparts.com
Suspension problem 1998 dodge neon 4 cyl front wheel drive automatic my sister was given a 1998 dodge neon, the two rear tires are. Dodge neon rear motorshow focus. Automobile dodge 2004 neon srt4 owner's manual. Dodge neon 2004, supreme™ rear lateral link by mevotech®. Diagram of the interior fuse box for a 1997 dodge neon highline. Can anyone offer me some incite?? Related manuals for dodge 2004 neon sx2. 2nd generation dodge neon general maintenance and here is a picture gallery about 2002 dodge neon engine diagram complete with the description of the.

Modified macpherson strut rear suspension.

Motogurumag.com is an online resource with guides & diagrams for all kinds of vehicles. Diagrams and instructions on how to service and repair your car. Suspension problem 1998 dodge neon 4 cyl front wheel drive automatic my sister was given a 1998 dodge neon, the two rear tires are. We have the following 2004 dodge neon manuals available for free pdf download. Usually, car owners take their cars to workshop as. I have a 2004 neon se automatic transmission. Discover the best deals certificatetemplatefree.com ▼. Contains 14 parts priced between $2.30 and $262.00. Earth elements manual and automatic transaxle front axle and front suspension rear axle and rear suspension wheels and tires brake system hydraulic steering system body security system window and mirror system alternator. Contains 18 parts priced between $2.17 and $338.68. You may find documents other than just manuals as we also make available many user guides, specifications documents, promotional details, setup documents and more. Dodge neon wiring diagram further 2005 dodge neon wiring diagram. Learn how to change the rear drums and shoes on a 2004 dodge neon.

Diagram of the interior fuse box for a 1997 dodge neon highline. Rear suspension & steering parts for sale | ebay. Diagram of oem suspension, rear. Contains 14 parts priced between $2.30 and $262.00. Or have a helper push on brake pedal when you release bleeder valve @ each open questions:

Dodge Intrepid Brake Dust Shield - 4728111 | Amherst OH
Dodge Intrepid Brake Dust Shield - 4728111 | Amherst OH from www.slimansparts.com
Smps vision is to be the leading independent supplier to the automotive aftermarket providing the highest quality install an electrical outlet appropriately and its because safe as that can be. I need to know how these parts look and where the are exactly; Motogurumag.com is an online resource with guides & diagrams for all kinds of vehicles. Detailed specs and features for the used 2004 dodge neon including dimensions, horsepower, engine, capacity, fuel economy, transmission, engine type, cylinders, drivetrain and more. Can anyone offer me some incite?? 2004 dodge neon suspension problems with 8 complaints from neon owners. Crown automotive is just the ticket if. Dodge neon 2004, supreme™ rear lateral link by mevotech®.

Or have a helper push on brake pedal when you release bleeder valve @ each open questions:

2004 pontiac grand am serpentine belt diagram for 4 cylinder 2 2. Dodge neon wiring diagram further 2005 dodge neon wiring diagram. Dodge neon pdf manual help you in all types of repairs. Motogurumag.com is an online resource with guides & diagrams for all kinds of vehicles. Can the square root of 123 be simplified? 2004 dodge neon wiring diagram database. I have a stumble in the engine and while doing an oil change and usual inspection i i did find a plug nearby with a delete cap on it! Diagrams and instructions on how to service and repair your car. Crown automotive is just the ticket if. Contains 18 parts priced between $2.17 and $338.68. 2nd generation dodge neon general maintenance and here is a picture gallery about 2002 dodge neon engine diagram complete with the description of the. Detailed specs and features for the used 2004 dodge neon including dimensions, horsepower, engine, capacity, fuel economy, transmission, engine type, cylinders, drivetrain and more. Dodge neon rear brake failure.

Post a Comment for "2004 Dodge Neon Rear Suspension Diagram - Dodge Neon Mount. Strut - 04626182 | Mopar Parts Overstock, Lakeland FL"